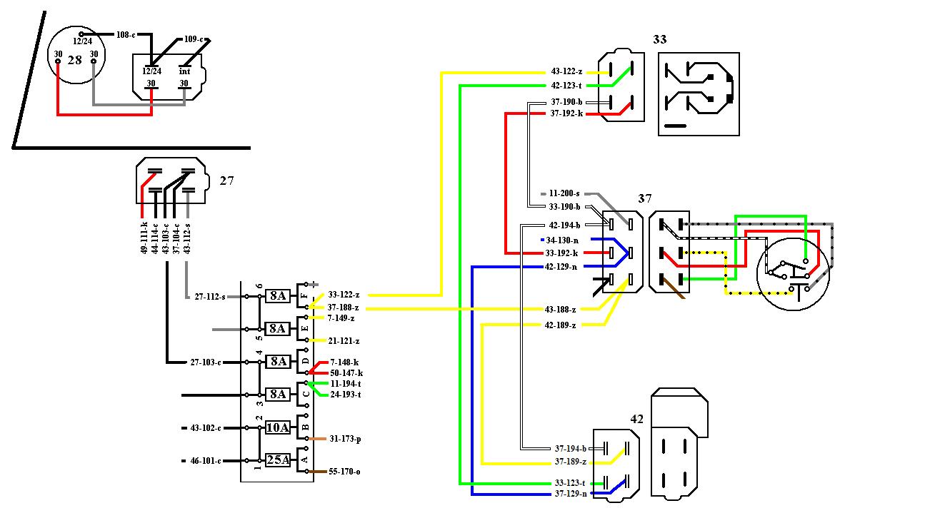
И если делать омыватель, как его включать, в смысле запуска - выводить на отдельную кнопку? У кого как сделано? Да и еще заметка: дворники когда их включаешь - работают, а как выключаешь - сразу резко становятся. Они должны доходить автоматически до положения около перегородки лобового?


